Hình dạng
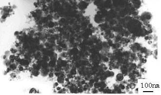
Bột nano niken với kích cỡ hạt khác nhau có màu tím đen đến đen mà không phối màu khác. Hạt dạng hình cầu và cũng không có sự kết tụ.
Kết quả kiểm tra TEM
Phân bố kích cỡ hạt
Ứng dụng
1. Cải thiện sự bắt cháy hiệu quả
Việc cho thêm bột nano niken vào trong nhiên liệu rắn của tên lửa giúp cải thiện đáng kể độ bắt cháy và tính ổn định cháy của nhiên liệu.
2. Hồ dẫn
Hồ dẫn được sử dụng rộng rãi cho dây dẫn, dây nối và đóng gói trong công nghiệp vi điện tử. Nó đóng vai trò quan trọng trong việc tiểu hình hóa thiết bị vi điện tử. Hồ dẫn từ hạt nano niken có hiệu quả cao và lợi nhuận cho quá trình tiểu hình hóa về sau.
3. Chất lỏng từ
Chất lỏng từ tính chế tạo từ sắt, côban, niken và hợp kim có hiệu quả cao và sử dụng rộng rãi trong bịt kín, chống sốc, điều hòa âm, hiển thị ánh sáng, v.v…
4. Xúc tác hiệu quả
Với bề mặt riêng lớn và hoạt tính cao, bột nano niken có hiệu quả xúc tác mạnh. Nó có thể sử dụng để hydro hóa hữu cơ, xử lý khí thải ô tô, v.v…
5. Điện cực chất lượng cao
Điện cực với diện tích bề mặt lớn có thể chế tạo nhờ hạt nano niken với quá trình gia công thích hợp, cải thiện đáng kể hiệu suất xả.
6. Phụ gia nung kết hoạt hóa
Bột nano có diện tích bề mặt lớn và tỷ lệ nguyên tử bề mặt lớn, nên tích trữ nhiều năng lượng. Nó có khả năng nung kết cao tại nhiệt độ thấp và nhờ đó là phụ gia nung kết hiệu quả giúp giảm đáng kể nhiệt độ nung kết của luyện kim bột và sản phẩm gốm nhiệt độ cao.
7. Gia công phủ dẫn điện bề mặt kim loại và phi kim
Nhờ bề mặt hoạt hóa cao, bột nano niken có thể phủ dưới điều kiện kị khí tại nhiệt độ thấp hơn độ nóng chảy. Công nghệ này có thể áp dụng vào sản xuất thiết bị vi điện tử.
| Grade | Thành phần hóa học/% | ||
| O | Tạp chất | Cu | |
| FNiN-20 | < 0.1 | < 0.3 | Margin |
| FNiN-50 | < 0.01 | < 0.3 | Margin |
| FNiN-80 | < 0.01 | < 0.3 | Margin |
| Lưu ý: Các tạp chất bao gồm B, Al, Si, Cr, Mn, Fe, Co, Ni, Mo, W, P, C, S, v.v.... Thành phần hóa học của tạp chất có thể cung cấp theo yêu cầu của khách hàng. |
|||
| Grade | Đường kính giữa/nm | Diện tích bề mặt riêng/(m2/g) | Mật độ biểu kiến/(g/cm3) |
| FNiN-20 | < 30 | >25 | 0.04~5 |
| FNiN-50 | ≥30~60 | >15 | 0.05~0.7 |
| FNiN-80 | ≥60~100 | >8 | 0.06~0.8 |
Miyou Group là nhà sản xuất và cung cấp bột nano niken chuyên nghiệp tại Trung Quốc. Chúng tôi cũng cung cấp bột nano cô ban, hệ thống sản xuất sơn thân thiện với môi trường, bơm sử dụng phốt cơ khí, v.v…