Hệ thống máy nghiền mịn bảo vệ bằng khí trơ thích hợp để tạo bột các vật liệu dễ bị oxi hóa, dễ cháy nổ. Sản phẩm được sử dụng rộng rãi trong các ngành công nghiệp luyện kim, hóa chất, hóa chất nông nghiệp, thuốc tây, thuốc bắc. Tùy theo bản chất của vật liệu dễ cháy nổ mà khí trơ tương thích được sử dụng trong môi trường nghiền.
Thông số kỹ thuật| Model | QBF-148 | QBF-248 | QBF-348 | QBF-488 | QBF-720 |
| Năng suất (kg/h) | 5-25 | 15-80 | 30-180 | 60-400 | 120 ~ 800 |
| Lượng khí tiêu thụ (m3/phút) | 3-5 | 3-15 | 5-20 | 8-30 | 12-40 |
| Áp suất hoạt động (MPa) | 0.75-0.85 | 0.75-0.85 | 0.75-0.85 | 0.75-0.85 | 0.75-0.85 |
| Kích cỡ hạt cấp liệu (lưới) | 60-325 | 60-325 | 60-325 | 60-325 | 60-325 |
| Kích cỡ nghiền (μm) | 0.5-30 | 0.5-30 | 0.5-30 | 0.5-30 | 0.5-30 |
| Công suất lắp đặt (kw) | 33 | 53 | 88 | 173 | 346 |
Độ sai tinh khiết của khí trơ có thể kiểm soát trong khoảng 1PPM và nồng độ oxi có thể thiết lập ngẫu nhiên. Khí trơ được sử dụng đều đặn, nên lượng tiêu thụ rất thấp. Sự mài mòn của hệ thống máy nghiền siêu mịn là nhỏ, vì quá trình nghiền được thực hiện bởi sự va đập giữa các thành phần nguyên liệu và các thành phần tốc độ cao hiếm khi va vào thành máy. Do đó, sản phẩm có thể được sử dụng để tạo bột các vật liệu với khoảng độ cứng Mohs trên 9. Ngoài ra, quá trình điều khiển tự động hoàn toàn có thể thực hiện nhờ áp dụng chương trình PLC tân tiến và màn hình cảm ứng.
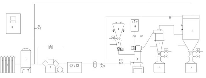
Biểu đồ của hệ thống máy nghiền siêu mịn bảo vệ bằng khí trơ
1. Nguồn khí ni tơ
2. Buồng khí
3. Máy nén khí ni tơ
4. Máy sấy khô khí
5. Bộ lọc khí
6. Buồng chứa nguyên liệu
7. Buồng chứa nguyên liệu chuyển tiếp
8. Máy nghiền siêu mịn tầng sôi QBF
9. Máy tách xyclon
10. Buồng chứa chuyển tiếp sản phẩm cuối
11. Buồng chứa sản phẩm cuối
12. Bộ lọc bụi
13. Buồng chứa chuyển tiếp sản phẩm cuối
14. Buồng chứa sản phẩm cuối
15. Hệ thống điều khiển tuần hoàn khí
16. Đầu cuối vận hành
Là nhà sản xuất và cung cấp hệ thống máy nghiền siêu mịn bảo vệ bằng khí trơ tại Trung Quốc, công ty cũng cung ứng máy nghiền siêu mịn tầng sôi, hệ thống trộn và nghiền nhà máy SC, phốt cơ khí nhựa PP, bột nano sắt, v.v…
Sản phẩm liên quan
Máy nghiền mịn bảo vệ bằng khí | Máy nghiền siêu mịn an toàn | Máy nghiền chống cháy nổ | Máy nghiền khí trơ