Hệ thống trộn và nghiền mịn hóa chất nông nghiệp

Hệ thống trộn và nghiền mịn hóa chất nông nghiệp tích hợp hoàn hảo với công nghệ nghiền mịn, công nghệ trộn và quản lý thông minh. Nó có thể đáp ứng các yêu cầu trộn và nghiền nhiều loại thuốc trừ sâu khác nhau. Với thiết kế đặc biệt, quá trình hoạt động không có bụi, đáp ứng nhu cầu bảo vệ môi trường.

Thông số kỹ thuật
Model QF-148 QF-248 QF-348 QF-488 QF-588
Năng suất (kg/h) 5-100 50-200 80-380 200-500 400-1000
Lượng khí tiêu thụ (m3/phút) 3 6 10 20 40
Áp suất hoạt động (MPa) 0.75-0.85 0.75-0.85 0.75-0.85 0.75-0.85 0.75-0.85
Kích cỡ hạt cấp liệu (lưới) 60-325 60-325 60-325 60-325 60-325
Kích cỡ nghiền (μm) 0.5-30 0.5-30 0.5-30 0.5-30 0.5-30

Toàn bộ hệ thống được điều khiển bằng màn hình cảm ứng. Vật liệu được vận chuyển bằng dòng khí áp suất âm và thiết bị hút cài đặt tại cổng cấp liệu đảm bảo không có bụi. Máy trộn xoắn kép đảm bảo hiệu quả trộn. Quá trình nghiền sử dụng máy nghiền mịn tầng sôi với hiệu suất làm việc cao và phân phối kích cỡ hạt theo tiêu chuẩn. Hơn nữa, đầu ra có thể kết nối trực tiếp với máy đóng kiện tự động.

Biểu đồ của hệ thống trộn và nghiền mịn hóa chất nông nghiệp
A. Model liên tục, áp dụng cho sản xuất hàng loạt

1. Quạt hút
2. Máy tách xyclon
3. Bộ lọc bụi
4. Máy trộn
5. Bộ lọc
6. Máy nghiền mịn
7. Vùng định lượng
8. Thiết bị cấp liệu
9. Thiết bị đóng gói

B. Model liên tục, áp dụng cho sản xuất hàng loạt

1. Van đầu ra
2. Máy tách xyclon
3. Máy trộn
4. Cổng kết nối linh hoạt
5. Bộ lọc bụi
6. Máy tách xyclon
7. Bộ lọc màng nước
8. Quạt hút

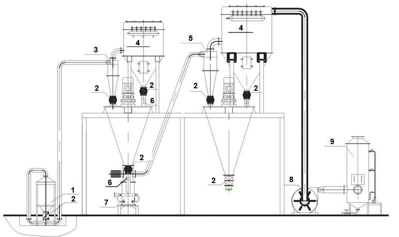
C. Model đơn giản, áp dụng cho sản xuất hàng loạt

1. Thiết bị cấp liệu
2. Van đầu ra
3. Máy tách xyclon
4. Bộ lọc bụi
5. Máy tách xyclon
6. Cổng kết nối linh hoạt
7. Máy nghiền mịn
8. Quạt hút
9. Bộ lọc màng nước

Miyou Group là nhà sản xuất và cung cấp hệ thống trộn và nghiền mịn hóa chất nông nghiệp chuyên dụng tại Trung Quốc. Ngoài hệ thống nghiền mịn, chúng tôi còn cung cấp máy trộn cát, hệ thống nghiền hạt, phốt cơ khí cho máy trộn cát, bình phản ứng, hệ thống tách bằng khí nén, v.v…

Sản phẩm liên quan
Hệ thống nghiền trộn | Máy trộn và nghiền điều khiển thông minh| Máy nghiền đa chứng năng | Thiết bị sản xuất WP

Thông tin phản hồi