Hệ thống trộn và nghiền mịn WP

Hệ thống trộn và nghiền mịn cho hóa chất nông nghiệp tích hợp hoàn hảo công nghệ trộn, công nghệ nghiền mịn và công nghệ điều khiển thông minh. Máy có thể đáp ứng nhu cầu gia công trộn và nghiền nhiều loại thuốc trừ sâu khác nhau. Nhờ thiết kế đặc biệt, quá trình sản xuất không có bụi, đáp ứng nhu cầu bảo vệ môi trường.

Thông số kỹ thuật
Model QYF-150 QYF-260 QYF-400 QYF-600 QYF- 720
Năng suất(kg/h) 5-100 50-200 80-380 200-500 400-1000
Lượng khí tiêu thụ (m3/min) 3 6 10 20 40
Áp suất làm việc (MPa) 0.75-0.85 0.75-0.85 0.75-0.85 0.75-0.85 0.75-0.85
Đường kính cấp liệu(mesh) 60-325 60-325 60-325 60-325 60-325
Kích cỡ nghiền(μm) 0.5-30 0.5-30 0.5-30 0.5-30 0.5-30

Toàn bộ hệ thống được điều khiển từ xa bằng màn hình cảm ứng. Vật liệu được vận chuyển bởi dòng khí áp suất âm và thiết bị hút được lắp đặt tại cổng cấp liệu đảm bảo không có bụi. Máy trộn xoắn kép đảm bảo trộn đủ và đều. Quá trình nghiền sử dụng máy nghiền mịn tầng sôi với hiệu suất làm việc cao và phân phối kích cỡ hạt đồng đều. Ngoài ra, đầu ra có thể kết nối với máy đóng kiện tự động.

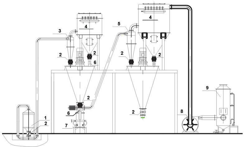
Biểu đồ của hệ thống trộn và nghiền mịn hóa chất nông nghiệp
A. Model chạy liên tục, áp dụng cho sản xuất hàng loạt

1. Quạt hút
2. Bộ tách xyclon
3. Bộ lọc bụi
4. Máy trộn
5. Bộ lọc
6. Máy nghiền siêu mịn
7. Vùng phân phối
8. Thiết bị cấp liệu
9. Thiết bị đóng kiện

B. mô hình liên tục, áp dụng cho sản xuất hàng loạt

1. Van xả
2. Bộ tách xyclon
3. Máy trộn
4. Bộ kết nối linh hoạt
5. Bộ lọc bụi
6. Bộ tách xyclon
7. Bộ lọc màng nước
8. Quạt hút

C. Model đơn giản, ứng dụng cho sản xuất nhỏ lẻ

1. Thiết bị cấp liệu
2. Van xả
3. Bộ tách xyclon
4. Bộ lọc bụi
5. Bộ tách xyclon
6. Bộ kết nối linh hoạt
7. Máy nghiền siêu mịn
8. Quạt hút
9. Bộ lọc màng nước

Miyou Group là nhà sản xuất và cung cấp hệ thống trộn và nghiền siêu mịn hóa chất nông nghiệp chuyên dụng tại Trung Quốc. Ngoài hệ thống nghiền mịn, chúng tôi còn cung ứng máy trộn cát, hệ thống nghiền hạt, hệ thống máy tách bằng khí nén, v.v…

Sản phẩm liên quan
Hệ thống trộn nghiền kết hợp| Máy trộn và nghiền điều khiển thông minh| Máy nghiền đa chức năng| Thiết bị sản xuất WP

Thông tin phản hồi